返回产品列表
产品中心

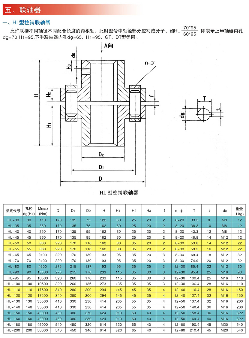
HL型弹性柱销联轴器


联系我们
有任何问题或需求,可直接联系我们

无锡市建海机械厂


地址:无锡市惠山区堰桥镇堰桥工业园区堰畅路11-1号
手机:13921540329  

微信号:18651512094/13921540329   
电话:0510-83575203

传真:0510-83575203

联系人:李女士
开户:农行堰桥支行
账号:652601040018059
税号:91320206796502697L
邮编:214174